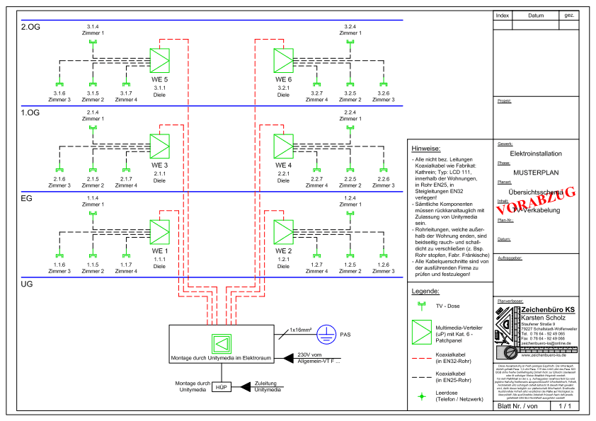
Übersichtsschemata für die Elektroinstallation
Erstellung verschiedener Übersichtsschemen zur Elektroinstallation.
- Verteileranlagen / Stromversorgung
- Sprechanlage
- Telefon-Verkabelung- TV- / Antennen-Verkabelung (SAT-Anlage oder Breitbandkabel)
- Multimedia-Verkabelung
- EDV- / Netzwerk- / Daten-Verkabelung
- Lichtrufanlage
- Potentialausgleich (PA)
- Jalousie-/Rolladen-/Raffstore-Verkabelung
- Lautpsrecher- / Beschallungsanlage (ELA)
- Brandmeldeanlage (BMA)
- RWA-Anlage
- Not- / Sicherheitsbeleuchtung (Si.-Bel.)
- Einbruchmeldeanlage (EMA)
- Zutrittskontrolle
- Gebäudeleittechnik (GLT)
- ...
Eine kleine Auswahl meiner Werke bis zum heutigen Zeitpunkt sehen Sie weiter unten. Für größere Ansichten einfach auf die Bilder klicken.












